The whole assembly is coated with multi-layer silicone coating to give maximum wire protection from -55⁰C to +350⁰C. Performance improvement is achieved by close tolerance, very low temperature coefficient and excellent stability in operation under severe environmental conditions.
High level reliability is due to ceramic core chemically inert and centerless ground for uniformity, selected wire element and completely welded construction terminal to terminal.
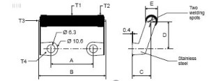
The resistor element is the same construction, ohmic range, voltage rating and performance as the 7CS and 10CS axial lead resistors.


